公司简介
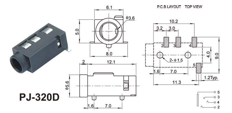
 3.5/SMT耳机插座系列 >> PJ-320D
  点击次数:675  发布时间:2010-04-09 【打印】 【返回